Instagram
About Us
Need Help? 877-238-3225
0
Shopping Cart
BROWSE PRODUCTS
PREMIUM HARDWOOD
Solid
Engineered
ALL HARDWOOD PRODUCTS
COMMERCIAL SYNTHETIC
TuffCore LAMINATE
TuffCore WPC
Elements SPC
Builder’s Choice SPC
Builder’s Choice Dry Back LVP
ALL TUFFCORE PRODUCTS
COLLECTIONS
ENGINEERED
Montana Collection
Idaho Collection
Rhode Island Collection
SOLID
Michigan Collection
Virginia Collection
Black Label Collection
SYNTHETIC
Estate Collection
Market & Main Collection
Expedition Collection
Builder’s Choice SPC
Builder’s Choice LVP
ROOM SCENES
RESOURCES
TUFFCORE LAMINATE
Installation
Care and Maintenance
Warranty Information
TUFFCORE WPC
Installation
Care and Maintenance
Warranty Information
ELEMENTS SPC
Installation
Care and Maintenance
Warranty Information
BUILDER’S CHOICE SPC
Installation – Valinge 2g Click
Installation – I4F Triple Lock (Discontinued)
Care and Maintenance
Warranty Information
COLLECTION SPEC SHEETS
Estates Collection
Expedition Collection
Idaho Collection
Market and Main Collection
Builder’s Choice Collection – I4F Triple Lock
Builder’s Choice – Valinge 2g Click
Market and Main Collection – Painted Bevel
Michigan Collection
Montana Collection – 300s
Montana Collection – 340s
Montana Collection – 420s
Rhode Island Collection
Black Label
Virginia Collection
TRANSITION DATA SHEETS
TuffCore Laminate Transitions
TuffCore WPC/SPC Transitions
Transition Modifications
INSTALLATION VIDEOS
VALINGE 2G CLICK
TuffCore WPC Market & Main/SPC Builder’s Choice
i4F TRIPLELOCK
TuffCore SPC Elements
MISCELLANEOUS INSTALLATION VIDEOS
TuffCore WPC Plank Replacement
TuffCore Elements “Proper Plank Engagement”
TuffCore Builder’s Choice – i4F TripleLock Installation Tip
CONTACT
Contact NFP
Become A NFP Retailer
Stock’d N Lock’d
MORE
Register Your Floor
Forum
RETAILERS
Search
Menu
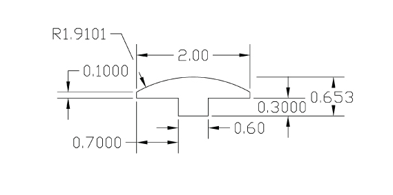
Categories:
Wood Trim
,
VAR1
,
VAR2
,
VAR3
,
VAR4
,
VAR5
,
VAR6
,
VAR7
,
VAR8
23-99
T-Mold
DOWNLOAD DETAIL
21-99 .500
Threshold
26-99 .563 Overlap Stairnose
Scroll to top